Bài viết Kỹ thuật By Kỹ Thuật Công Nghiệp Ánh Dương

Bài viết Kỹ thuật By Kỹ Thuật Công Nghiệp Ánh Dương

Các mác thép không gỉ khác so sánh với thép không gỉ 316

Thép không gỉ 316 nổi bật nhờ hàm lượng molypden đáng kể, mang lại khả năng chống ăn mòn vượt trội, đặc biệt là trước tác động của ion clorua và các môi trường hóa chất khắc nghiệt. Được công nhận là mác thép không gỉ Austenitic được sử dụng phổ biến thứ hai sau mác 304, thép không gỉ 316 cung cấp hiệu suất cao trong các ứng dụng yêu cầu khắt khe như ngành hàng hải, dược phẩm, chế biến thực phẩm và công nghiệp hóa chất. Các loại thép không gỉ Austenitic, như 304 và 316, được đặc trưng bởi hàm lượng niken hoặc nitơ cao, tạo ra cấu trúc tinh thể không từ tính đặc trưng và độ bền vượt trội trong nhiều dải nhiệt độ làm việc.

Xem thêm : Các mác thép không gỉ khác so sánh với thép không gỉ 316

Thép không gỉ được phân nhóm một cách hệ thống dựa trên thành phần hóa học, tính chất cơ học, cấu trúc luyện kim và mục đích ứng dụng công nghiệp. Bốn họ chính bao gồm: thép không gỉ ferit, mactenxit, Austenitic và duplex. Thép không gỉ duplex là nhóm lai, kết hợp đặc tính của hai hoặc nhiều họ nền—như mactenxit–ferit hoặc Austenitic–ferit—tạo ra các hợp kim có độ bền cơ học và khả năng chống ăn mòn cân bằng. Cấu trúc nền của mỗi họ ảnh hưởng trực tiếp đến năng lực làm việc của vật liệu, do đó việc lựa chọn đúng mác thép là yếu tố then chốt cho các yêu cầu kỹ thuật và sản xuất cụ thể.

Trong từng họ, thép không gỉ tiếp tục được phân chia thành các mác để mô tả chính xác đặc tính và thành phần hóa học của từng hợp kim. Các mác truyền thống được Hiệp hội Kỹ sư Ô tô (SAE) gán bằng hệ thống số ba chữ số, trong khi các hệ thống phân loại khác—như hệ thống sáu chữ số ASTM/UNS được sử dụng tại Bắc Mỹ—cung cấp thông tin chi tiết hơn. Dù sử dụng hệ thống ký hiệu nào, mỗi mác thép không gỉ đều phải tuân thủ nghiêm ngặt thành phần hợp kim quy định và giới hạn hàm lượng các nguyên tố như crôm, niken, cacbon và molypden, vì chúng tác động trực tiếp đến khả năng chống ăn mòn, độ bền cơ học và các đặc tính quan trọng khác. Chỉ một thay đổi nhỏ trong thành phần hợp kim cũng có thể dẫn đến sự khác biệt lớn về hiệu năng, đặc biệt trong các môi trường làm việc khắc nghiệt hoặc chuyên biệt.

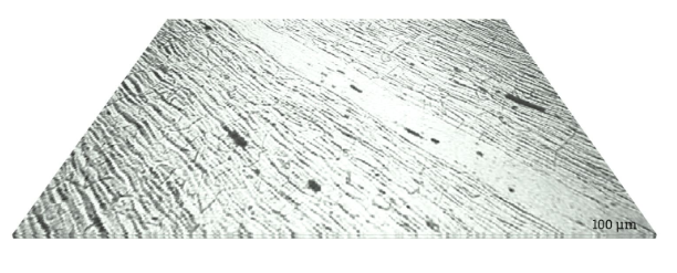
Đối với các kỹ sư và bộ phận mua hàng khi đánh giá các loại thép không gỉ khác nhau, việc hiểu rõ sự khác biệt giữa các mác thép là điều thiết yếu. Mỗi mác thép cung cấp mức độ khác nhau về khả năng chống ăn mòn, độ bền kéo, độ dẻo, độ cứng, độ ổn định nhiệt và khả năng chống mài mòn. Yếu tố chính chi phối các đặc tính này là cấu trúc vi mô của hợp kim, có thể quan sát dưới kính hiển vi (thường ở độ phóng đại khoảng 25 lần). Cấu trúc vi mô—được quyết định bởi tỷ lệ và chủng loại các nguyên tố hợp kim—sẽ quyết định mức độ phù hợp của vật liệu cho các ứng dụng như xây dựng, thiết bị y tế, thiết bị chế biến thực phẩm và bồn chứa hóa chất.

Trong thép không gỉ 316, cấu trúc vi mô dạng tế bào tinh luyện có các ranh giới giàu crôm, mangan, molypden và niobi. Sự giàu hóa này trong cấu trúc vi mô giúp tăng cường khả năng chống ăn mòn và chống ăn mòn rỗ, đặc biệt trong các môi trường có tính axit hoặc giàu clorua như nước biển, nhà máy khử mặn và sản xuất hóa chất. Sự phân bố mịn của crôm và molypden dọc theo các vùng ranh giới có ảnh hưởng trực tiếp đến độ bền và tuổi thọ làm việc của hợp kim, ngay cả khi tiếp xúc liên tục với hóa chất công nghiệp khắc nghiệt hoặc môi trường mặn.

Thép không gỉ Austenitic: Nhóm thép không gỉ Austenitic nổi bật với đặc tính không từ tính, hàm lượng crôm và niken cao, độ dẻo tuyệt vời và hàm lượng cacbon thấp—khiến đây trở thành nhóm hợp kim được sử dụng phổ biến nhất trên toàn cầu. Được ứng dụng rộng rãi trong các lĩnh vực đòi hỏi khả năng chống ăn mòn và tính hàn cao như kiến trúc, chế biến thực phẩm và dược phẩm, các mác Austenitic còn duy trì độ bền tốt ở cả nhiệt độ cao và nhiệt độ siêu thấp (cryogenic).

Đặc trưng cốt lõi của thép không gỉ Austenitic là cấu trúc tinh thể lập phương tâm diện (FCC), được hình thành nhờ bổ sung niken và trong một số trường hợp là nitơ. Cấu trúc hạt này đảm bảo độ dai va đập và độ linh hoạt vượt trội, rất quan trọng cho các môi trường làm việc chịu ứng suất cao. Đáng chú ý, các loại thép này giữ được tính chất cơ học ổn định trong dải điều kiện rộng, cho khả năng tạo hình xuất sắc và dễ gia công thành các chi tiết hoặc hình dạng phức tạp.

Thép không gỉ Austenitic không thể hóa bền bằng nhiệt luyện; thay vào đó, chúng được hóa bền thông qua quá trình gia công biến dạng nguội, giúp tăng độ bền, độ cứng và khả năng chống nứt hoặc biến dạng. Tính không từ tính vốn có được duy trì sau khi ủ, tuy nhiên một mức độ từ tính nhẹ có thể xuất hiện sau gia công nguội—điều này cần được lưu ý đối với các ứng dụng yêu cầu vật liệu không từ tính.

Nguyên tố hợp kim chính trong các mác thép không gỉ Austenitic thuộc dòng 300—bao gồm 304, 304L, 316 và 316L—là niken, với hàm lượng điển hình từ 6% đến 20%. Ví dụ, mác 316 được biết đến như một hệ Cr–Ni–Mo do có bổ sung thêm 2–3% molypden. Ngược lại, thép không gỉ dòng 200 có hàm lượng niken thấp hơn và nitơ cao hơn, dẫn đến khả năng chống ăn mòn thấp hơn đôi chút và sự thay đổi về tính chất cơ học. Việc lựa chọn giữa dòng 200 và 300 cần dựa trên yêu cầu về khả năng chống ăn mòn, chi phí và môi trường ứng dụng cụ thể.

  • Thép không gỉ dòng 300: Thép không gỉ Austenitic dòng 300, như 304 và 316, nổi tiếng với khả năng chống ăn mòn xuất sắc, tỷ lệ bền–khối lượng cao, khả năng hàn tốt và tính linh hoạt trong nhiều phương pháp gia công. Thành phần giàu niken giúp vật liệu ổn định trong các điều kiện nhiệt độ khắc nghiệt, khiến chúng phù hợp cho các ứng dụng như bình chịu áp, thiết bị công nghệ, hệ thống đường ống và thiết bị nhà bếp.
  • Thép không gỉ dòng 304 : Là mác thép không gỉ được sử dụng rộng rãi nhất, 304 có độ bền kéo cao (621 MPa hoặc 90 Ksi) và có thể làm việc ở nhiệt độ lên đến 1598°F (870°C). Nhờ khả năng chống ăn mòn tốt trong môi trường ăn mòn nhẹ, inox 304 thường được lựa chọn cho ngành chế biến thực phẩm và đồ uống, thùng chứa hóa chất và các chi tiết trang trí kiến trúc.
  • Thép không gỉ dòng 316 : Mác thép không gỉ phổ biến tiếp theo là 316, với độ bền kéo 549 MPa (84 Ksi) và nhiệt độ làm việc tối đa 1472°F (800°C). Việc bổ sung molypden giúp cải thiện đáng kể khả năng chống clorua và môi trường biển, cũng như khả năng kháng các hóa chất có tính axit và kiềm. Vì lý do này, inox 316 được sử dụng rộng rãi trong các ứng dụng hàng hải, bồn chứa hóa chất, thiết bị chế biến thực phẩm có tiếp xúc muối và các cấy ghép y tế.

So sánh trực tiếp cho thấy yếu tố then chốt phân biệt inox 304 và 316 chính là hàm lượng molypden trong mác 316. Thành phần này không chỉ tăng khả năng chống ăn mòn cục bộ như ăn mòn rỗ (đặc biệt trong môi trường có clorua, axit photphoric hoặc axit axetic) mà còn cải thiện khả năng chịu nhiệt và chống mài mòn. Do đó, inox 316 mang lại tính linh hoạt cao hơn trong các môi trường công nghiệp và hàng hải khắc nghiệt, nơi nước mặn, chất tẩy hoặc dung dịch axit có thể làm suy giảm độ bền vật liệu. Đối với các dự án yêu cầu cả độ bền và khả năng chống ăn mòn, đặc biệt khi tiếp xúc với hóa chất mạnh hoặc nước biển, inox 316 thường là lựa chọn tối ưu.

Bạn đang cân nhắc lựa chọn giữa inox 304 và 316 cho dự án sắp tới? Hãy xem xét các tiêu chí chính như mức độ rủi ro ăn mòn (tiếp xúc muối hoặc clorua), yêu cầu về độ bền kéo, phương pháp gia công (khả năng hàn, tạo hình), nhiệt độ làm việc và ngân sách. Các nhà cung cấp và nhà sản xuất thép không gỉ có thể hỗ trợ đánh giá chứng chỉ vật liệu và mức độ tuân thủ các tiêu chuẩn liên quan (như ASTM, ASME và ISO) phù hợp với từng ngành nghề.

  • Thép không gỉ ferit: Thép không gỉ ferit có cấu trúc vi mô lập phương tâm khối (BCC), được ổn định bởi hàm lượng crôm cao và hầu như không chứa niken. Pha ferit ổn định này khiến vật liệu có tính từ tự nhiên và khả năng chống oxy hóa vảy tốt ở nhiệt độ cao, nhưng lại khó hàn hơn so với thép Austenitic do hiện tượng phát triển hạt và kết tủa các pha liên kim loại khi chịu nhiệt độ cao. Các hợp kim này thường được phân loại theo hệ AISI dòng 400 và được ưa chuộng trong các ứng dụng yêu cầu khả năng chống ăn mòn ứng suất và chống oxy hóa tốt, như hệ thống ống xả ô tô, thiết bị công nghiệp và đồ gia dụng nhà bếp.

  • Thép không gỉ mactenxit: Thép không gỉ mactenxit được đặc trưng bởi hàm lượng cacbon cao hơn, cho phép vật liệu được hóa bền thông qua nhiệt luyện. Khi được làm nguội nhanh (tôi) từ pha Austenitic, thép hình thành cấu trúc vi mô mactenxit có độ bền và độ cứng cao nhưng độ dẻo thấp hơn, khiến chúng rất phù hợp cho các ứng dụng như dụng cụ cắt, lưỡi dao, chi tiết tuabin và các bộ phận chịu mài mòn. Việc điều chỉnh hàm lượng cacbon cho phép tạo ra dải rộng về độ cứng và độ bền, tuy nhiên điều này thường đánh đổi bằng việc giảm khả năng chống ăn mòn so với các họ thép không gỉ khác. Tương tự thép ferit, thép không gỉ mactenxit thường được phân loại trong hệ AISI dòng 400.

 

  • Thép không gỉ duplex: Thép không gỉ duplex kết hợp tỷ lệ xấp xỉ cân bằng giữa hai cấu trúc vi mô Austenitic và ferit, đạt được thông qua việc cân đối hàm lượng crôm và niken—thường có bổ sung molypden hoặc nitơ. Cấu trúc hai pha này mang lại sự kết hợp độc đáo giữa độ bền cơ học cao hơn và khả năng chống nứt ăn mòn ứng suất vượt trội, đặc biệt trong các môi trường giàu clorua hoặc có tính kiềm mạnh. Nhờ các đặc tính cân bằng, các mác duplex rất phù hợp cho ngành dầu khí, khử mặn, chế biến hóa chất và các kết cấu yêu cầu đồng thời độ bền cơ học và khả năng chống ăn mòn cao. Mác phổ biến nhất là thép không gỉ duplex 2205, hiện được cung cấp rộng rãi bởi các nhà cung cấp thép không gỉ trên toàn cầu.

  • Thép không gỉ hóa bền kết tủa (Precipitation Hardening – PH): Đây là nhóm thép không gỉ chuyên dụng cao, được thiết kế để tăng cường độ bền thông qua quá trình hóa bền kết tủa—một phương pháp nhiệt luyện tạo ra các hạt pha thứ cấp rất mịn trong cấu trúc kim loại. Các nguyên tố như đồng, niobi, nhôm và titan được bổ sung để hình thành các kết tủa này, giúp cải thiện đáng kể tính chất cơ học của hợp kim mà vẫn duy trì khả năng chống ăn mòn cần thiết. Các mác thép hóa bền kết tủa thường được sử dụng trong ngành hàng không vũ trụ, hạt nhân và các ứng dụng kỹ thuật hiệu suất cao, nơi yêu cầu sự cân bằng tối ưu giữa độ bền, độ dai và khả năng chống ăn mòn.

Lựa chọn mác thép không gỉ phù hợp cho ứng dụng của bạn
Khi lựa chọn giữa các mác thép không gỉ—như 304, 316, duplex 2205 hoặc các hợp kim đặc biệt—cần xem xét các yếu tố như môi trường làm việc, yêu cầu về tính chất cơ học, tiêu chuẩn ngành và chi phí. Hãy rà soát kỹ các chứng chỉ vật liệu và tham vấn các nhà cung cấp, nhà sản xuất thép không gỉ uy tín để đảm bảo tuân thủ các quy định (như ASTM hoặc ISO) và phù hợp với mục đích sử dụng cụ thể. Bằng việc hiểu rõ đặc điểm và phạm vi ứng dụng của từng họ và từng mác thép không gỉ, kỹ sư và bộ phận mua hàng có thể tự tin lựa chọn vật liệu tối ưu, tối đa hóa hiệu suất, an toàn và giá trị cho dự án.