Bài viết Kỹ thuật By Kỹ Thuật Công Nghiệp Ánh Dương

Bài viết Kỹ thuật By Kỹ Thuật Công Nghiệp Ánh Dương

Nguồn điện AC/DC: Các loại, nguyên lý hoạt động và lợi ích

Giới thiệu

Bài viết này sẽ phân tích chuyên sâu về nguồn điện AC/DC.

Nội dung bài viết sẽ đề cập đến các chủ đề như:

  • Nguyên lý hoạt động của nguồn AC/DC
  • Các loại nguồn AC/DC
  • Adapter AC/DC gắn tường và bộ nguồn AC/DC dạng cắm
  • Ứng dụng và lợi ích của nguồn AC/DC
  • Và nhiều nội dung liên quan khác…

Hiểu các kiến thức cơ bản về nguồn điện AC và DC

Chương này trình bày các nội dung nền tảng, bao gồm khái niệm về bộ nguồn, đặc điểm và chức năng của nguồn AC và DC, cũng như cấu tạo và nguyên lý hoạt động của các nguồn điện AC/DC.

Định nghĩa bộ nguồn (Power Supply)

Bộ nguồn là thiết bị hoặc mạch điện có chức năng chuyển đổi điện năng từ lưới điện hoặc các nguồn khác thành mức điện áp và dòng điện chính xác theo yêu cầu của từng thiết bị cụ thể. Các thiết bị này có thể từ đồ gia dụng thông thường cho đến máy móc công nghiệp quy mô lớn.

Mỗi thiết bị điện đều có yêu cầu cụ thể về điện áp và dòng điện để hoạt động đúng cách, và các thông số này thường được nhà sản xuất ghi rõ. Nếu các điều kiện này không được đáp ứng, thiết bị có thể không hoạt động hoặc bị hư hỏng nếu vượt quá giới hạn cho phép.

Một số bộ nguồn có thể cấp điện cho nhiều thiết bị cùng lúc, do đó cần duy trì đầu ra ổn định bất kể sự thay đổi của tải hoặc điện áp đầu vào—những bộ nguồn này được gọi là nguồn ổn áp (regulated power supplies). Ngược lại, nguồn không ổn áp (unregulated power supplies) có đầu ra biến thiên theo đầu vào, vì điện áp đầu ra chỉ là một phần cố định của điện áp đầu vào. Bộ nguồn có thể tồn tại dưới dạng thiết bị bên ngoài như bộ sạc, hoặc tích hợp bên trong các thiết bị như tivi và radio. Chúng có khả năng chuyển đổi đầu vào AC hoặc DC thành đầu ra DC hoặc AC.

Tìm hiểu về nguồn AC và DC

Dòng điện một chiều (DC) cung cấp dòng điện ổn định theo một hướng, thường được tạo ra từ các nguồn như pin/ắc quy và tấm pin năng lượng mặt trời.

Dòng điện xoay chiều (AC) luân phiên giữa chu kỳ dương và chu kỳ âm, làm thay đổi hướng chuyển động của các electron theo từng khoảng thời gian.

Điều này mô tả dòng điện được cung cấp từ máy phát điện hoặc ổ cắm điện. Điện năng được tạo ra tại các nhà máy điện và truyền tải đến hộ gia đình được cung cấp dưới dạng dòng điện xoay chiều (AC).

Dòng điện một chiều (DC) duy trì điện áp ổn định và chỉ chảy theo một hướng duy nhất. Ngược lại, dòng điện xoay chiều (AC) có điện áp đảo chiều, khiến dòng điện cũng thay đổi hướng chuyển động theo thời gian.

Đặc tính của nguồn điện AC/DC

Trong mạch xoay chiều (AC), hướng dòng điện liên tục thay đổi. Khi trong mạch có cuộn cảm (inductor) hoặc tụ điện (capacitor), có thể xảy ra độ lệch pha, khiến dòng điện và điện áp không còn đồng bộ. Ngược lại, trong mạch một chiều (DC), cả dòng điện và điện áp đều ổn định, giúp đặc tính làm việc của linh kiện dễ dự đoán và không xảy ra hiện tượng lệch pha.

Trong mạch AC, do dòng điện đảo chiều, không phải toàn bộ năng lượng đều truyền đến tải; một phần năng lượng dao động qua lại giữa nguồn và tải, tạo ra công suất phản kháng (reactive power). Với DC, dòng điện chỉ chảy theo một hướng, đảm bảo toàn bộ dòng điện đi qua tải, không phát sinh công suất phản kháng, từ đó tối ưu hóa việc sử dụng điện năng.

Việc ngắt mạch DC có thể gặp nhiều khó khăn, đặc biệt khi điện áp cao liên tục, do có nguy cơ phát sinh tia lửa điện. Ngược lại, dòng điện xoay chiều (AC) có đặc điểm điện áp định kỳ về mức 0 khi đảo chiều, nên an toàn hơn khi ngắt mạch.

Để thay đổi điện áp DC, điện áp thường phải được chuyển đổi sang AC rồi chuyển ngược lại thành DC, đòi hỏi thiết bị chuyên dụng. Dòng điện một chiều chủ yếu được tạo ra từ nguồn lưu trữ như pin/ắc quy và phù hợp nhất với các thiết bị phụ thuộc pin.

Mặc dù AC là dạng điện phổ biến trong môi trường dân dụng, các thiết bị điện tử như máy tính và tivi lại hoạt động dựa trên DC. Trong các thiết bị này, AC được chỉnh lưu sang DC thông qua mạch chỉnh lưu (rectifier). Ở những môi trường như trung tâm dữ liệu, việc sử dụng DC trực tiếp được khuyến khích nhằm giảm tổn hao do quá trình chuyển đổi.

Cấu tạo nguồn AC/DC

Mỗi bộ nguồn AC–DC được thiết kế theo những yêu cầu riêng. Dưới đây là các yếu tố thiết kế tiêu chuẩn thường được xem xét:

Khả năng chức năng của nguồn AC/DC

Nguồn AC–DC được phân loại theo khả năng chức năng:

  • Nguồn ổn áp (Regulated power supplies): Cung cấp đầu ra ổn định bất kể sự thay đổi của tải hoặc điện áp đầu vào.
  • Nguồn không ổn áp (Unregulated power supplies): Điện áp đầu ra thay đổi theo tải hoặc đầu vào.
  • Nguồn có thể điều chỉnh (Adjustable): Cho phép người dùng thiết lập điện áp/dòng đầu ra thông qua núm chỉnh hoặc tín hiệu điều khiển điện tử.
  • Nguồn ổn áp có điều chỉnh: Kết hợp độ ổn định với tính linh hoạt điều chỉnh.
  • Nguồn cách ly (Isolated power supplies): Có đầu ra cách ly điện hoàn toàn với nguồn vào, khác với các nguồn không cách ly có chung điểm nối.

 

Đa dạng hình thức đóng gói của bộ nguồn

Bộ nguồn có nhiều dạng thiết kế và đóng gói khác nhau.

  • Nguồn để bàn (bench power supplies) là các thiết bị độc lập, chủ yếu dùng trong thử nghiệm và phát triển.
  • Nguồn khung hở (open frame power supplies) không có vỏ cơ khí hoàn chỉnh, thường được tích hợp trực tiếp vào máy móc hoặc thiết bị.
  • Nguồn gắn rack (rack mount power supplies) được thiết kế để lắp vào tủ rack tiêu chuẩn, vừa bảo vệ cơ khí vừa thuận tiện cho hệ thống.
  • Nguồn tích hợp (integrated power supplies) dùng chung bo mạch với tải tiêu thụ.
  • Nguồn ngoài (external power supplies), thường được gọi là adapter AC, được tích hợp trên dây nguồn của thiết bị.
  • Wall wart là dạng nguồn ngoài nhỏ gọn gắn trực tiếp vào ổ cắm, giúp giảm điện áp lưới xuống mức an toàn hơn, qua đó tăng độ an toàn cho người dùng.

Kỹ thuật chuyển đổi điện năng trong nguồn AC/DC

Nguồn AC–DC chủ yếu được chia thành hai loại: nguồn tuyến tính (linear) và nguồn chuyển mạch (switching).

  • Nguồn tuyến tính xử lý điện áp trực tiếp, trong đó các linh kiện chuyển đổi hoạt động trong vùng tuyến tính.
  • Nguồn chuyển mạch trước hết chuyển đổi điện áp đầu vào thành các xung AC hoặc DC, sử dụng linh kiện chủ yếu hoạt động trong vùng phi tuyến, giúp các linh kiện chỉ ở rất ít thời gian trong vùng tuyến tính.

Vì vậy, nguồn chuyển mạch thường hiệu quả hơn do ít năng lượng bị tiêu tán dưới dạng nhiệt so với nguồn tuyến tính.

Nguyên lý vận hành của nguồn AC/DC

Một bộ nguồn AC–DC ban đầu tiếp nhận điện áp AC 230V (hoặc mức tương đương theo từng khu vực). Bên trong bộ nguồn, điện áp này được hạ xuống mức phù hợp, thường trong khoảng 9V đến 24V cho đa số ứng dụng, sau đó chuyển đổi sang dòng điện một chiều (DC).

Trong nguồn tuyến tính, quá trình chuyển đổi này được thực hiện bởi diode; còn trong nguồn chuyển mạch, transistor đảm nhiệm vai trò chính. Sau khi chuyển sang DC, điện áp sẽ được làm phẳng (lọc) để loại bỏ gợn sóng, rồi tiếp tục điều chỉnh (regulation) để đạt mức ổn định. Một số bộ nguồn có thể không thực hiện bước ổn áp.

Nguồn DC đầu ra sau cùng sẽ cấp điện cho các thiết bị điện tử gia dụng, bao gồm máy tính, tivi và nhiều thiết bị khác.

Các yếu tố cần xem xét khi lựa chọn nguồn AC/DC

Dải điện áp đầu vào AC (VIN) – Xác định dải điện áp AC cần thiết cho bộ nguồn, ví dụ AC một pha hoặc AC ba pha. Khi chọn nguồn phù hợp, cần nắm rõ dải điện áp AC của thiết bị và của bộ nguồn. Nhiều thiết bị hoạt động trong dải rộng 85–264 VAC, tần số 47–60 Hz. Một số nguồn AC–DC còn có chân cắm thay thế để thích ứng với yêu cầu từng khu vực.

Dải điện áp đầu ra (VOUT) – Chỉ rõ điện áp đầu ra cần thiết. Nếu ứng dụng cần điện áp biến thiên (như đèn LED hoặc thiết bị thử nghiệm), việc chọn nguồn có thể điều chỉnh điện áp sẽ tiết kiệm chi phí và tiện lợi. Một số ứng dụng khác yêu cầu điện áp cố định như 12V hoặc 48V.

Dòng điện đầu ra tối đa (IOUT) – Việc hiểu rõ dòng điện đỉnh là rất quan trọng, đặc biệt khi dòng tải có thể dao động. Trong một số trường hợp, cần ghép song song nhiều bộ nguồn để tăng công suất.

Độ ổn định đầu ra (Output Regulation) – Với các ứng dụng nhạy cảm trước gợn sóng điện áp cao hoặc dao động dòng, đặc biệt với tải như truyền động động cơ, việc đảm bảo ổn áp tốt là yếu tố then chốt.

Không gian và kích thước – Khi bộ nguồn ngày càng nhỏ gọn, cần đảm bảo đủ không gian lắp đặt cho bộ nguồn và các thành phần bổ sung như nguồn song song, tấm dẫn nhiệt hoặc quạt làm mát.

Vỏ bảo vệ và làm mát – Đánh giá nhu cầu vỏ có quạt hoặc hệ thống làm mát bên ngoài. Nhiều bộ nguồn tích hợp bảo vệ quá nhiệt để ngăn hư hỏng do nhiệt.

Khả năng chịu nhiệt – Đảm bảo bộ nguồn có thể hoạt động trong điều kiện nhiệt độ khắc nghiệt, thường từ -40°C đến +50°C.

Hệ số suy giảm công suất (Derating) – Cân nhắc ảnh hưởng của môi trường như nhiệt độ và độ cao, có thể làm giảm công suất khả dụng.

Tiêu chuẩn tuân thủ – Một số ứng dụng yêu cầu đáp ứng các tiêu chuẩn như IP20, IP22 hoặc 60601. Nhiều bộ nguồn được kiểm định theo các yêu cầu chung và mang chứng nhận như TUV, EN hoặc UL.

Việc hiểu rõ các thông số trên là then chốt để lựa chọn bộ nguồn phù hợp, đáp ứng chính xác nhu cầu của từng ứng dụng.

Các loại nguồn AC–DC khác nhau là gì?

Nguồn AC–DC là thành phần thiết yếu trong các hệ thống điện và điện tử, có nhiệm vụ chuyển đổi dòng điện xoay chiều (AC) từ lưới điện thành dòng điện một chiều (DC) để cung cấp cho nhiều thiết bị và máy móc. Việc hiểu rõ các loại nguồn AC–DC hiện có cùng với đặc điểm của chúng là rất quan trọng để lựa chọn giải pháp phù hợp cho ứng dụng công nghiệp, thương mại, dân dụng và điện tử tiêu dùng. Dưới đây là phân loại chính của các bộ nguồn AC–DC (PSU), bao gồm nguyên lý hoạt động, ưu điểm, điện áp đầu ra điển hình và trường hợp sử dụng phù hợp.

Nguồn không ổn áp (Unregulated Power Supply)

Nguồn không ổn áp sử dụng điện áp AC làm đầu vào. Điện áp AC trước tiên đi qua máy biến áp hạ áp, làm giảm điện áp và đưa ra tại cuộn thứ cấp. Sau đó, điện áp này được chỉnh lưu bằng cầu diode để chuyển thành điện áp DC. Các điện áp đầu ra phổ biến gồm 9V, 12V, 15V và 24V. Một tụ điện được sử dụng để làm phẳng điện áp DC sau chỉnh lưu. Đúng như tên gọi, nguồn không ổn áp không có mạch ổn áp, nên điện áp đầu ra có thể thay đổi theo tải và điện áp đầu vào.

Bất kỳ sự thay đổi nào của điện áp AC đầu vào đều sẽ ảnh hưởng trực tiếp đến điện áp đầu ra của nguồn không ổn áp. Nhờ thiết kế đơn giản, nguồn không ổn áp thường bền bỉ, có hiệu suất khoảng 60%. Loại nguồn này thường được sử dụng trong các ứng dụng điện–cơ không yêu cầu điện áp đầu ra cố định, chẳng hạn như cấp nguồn cho contactor. Các cấu hình chính của nguồn không ổn áp bao gồm chỉnh lưu nửa chu kỳ, chỉnh lưu toàn chu kỳ có điểm giữa, và chỉnh lưu cầu toàn chu kỳ.

Ứng dụng tiêu biểu: Động cơ đơn giản, rơ-le, van điện từ và mạch đèn—những nơi độ chính xác điện áp không quá quan trọng. Đối với các dự án nhạy cảm về chi phí, ưu tiên độ bền và sự đơn giản hơn là khả năng điều khiển điện áp tinh vi, nguồn không ổn áp (PSU) là lựa chọn đơn giản và đáng tin cậy.

Nguồn AC–DC chuyển mạch (Switching AC–DC Power Supply)

Những tiến bộ trong công nghệ bán dẫn, đặc biệt là MOSFET chuyển mạch nhanh, đã giải quyết các vấn đề như kích thước máy biến áp và khả năng ổn áp vốn tồn tại ở các nguồn AC–DC tuyến tính. Công nghệ này giúp tăng hiệu suất và giảm tỏa nhiệt. MOSFET có thể đóng/cắt rất nhanh ngay cả khi làm việc với dòng và điện áp cao.

 

Tuy nhiên, nguồn AC–DC chuyển mạch (switch mode) có thiết kế phức tạp hơn so với nguồn AC–DC tuyến tính. Để tránh sử dụng máy biến áp hạ áp kích thước lớn, điện áp đầu vào được chỉnh lưu và lọc trước. Sau đó, một mạch băm DC (bộ chuyển đổi DC sang AC) sẽ biến đổi điện áp DC này thành chuỗi xung tần số cao, rồi tiếp tục được chỉnh lưu và lọc để tạo ra điện áp DC đầu ra. Cách tiếp cận này cho phép sử dụng máy biến áp nhỏ hơn, đồng thời tránh hiện tượng bão hòa lõi.

Lợi ích và đặc điểm:
Nguồn chuyển mạch (SMPS) được sử dụng rộng rãi trong máy tính, thiết bị viễn thông, đèn LED và bộ sạc pin. Hiệu suất của chúng thường vượt 80–90%, giúp giảm tổn hao điện năng, hạ chi phí vận hành và giảm lượng nhiệt tỏa ra. Nhiều SMPS hiện đại đáp ứng các tiêu chuẩn hiệu suất năng lượng toàn cầu như ENERGY STAR và Level VI, rất phù hợp cho các ứng dụng hiệu suất cao và thân thiện môi trường.

Các đặc điểm nổi bật:

  • Dải điện áp AC đầu vào rộng (universal input)
  • Kích thước nhỏ gọn, trọng lượng nhẹ
  • Cấp điện DC ổn định ngay cả khi dòng đầu vào biến thiên
  • Độ tin cậy cao, nhiễu điện từ (EMI) thấp khi có lọc phù hợp

Nguồn chuyển mạch có sẵn dưới nhiều kiểu lắp đặt như khung hở (open frame), có vỏ (enclosed), nguồn ngoài để bàn (desktop adapter), gắn DIN rail và gắn rack, đáp ứng đa dạng nhu cầu tích hợp và tuân thủ tiêu chuẩn trong nhiều ngành công nghiệp.

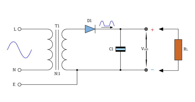
Nguồn AC–DC tuyến tính (Linear AC–DC Power Supply)

Đây là thiết kế đơn giản nhất của nguồn AC–DC. Từ lâu, loại nguồn này đã là giải pháp tin cậy để chuyển đổi điện năng AC từ lưới điện sang DC cho các thiết bị gia dụng.

Máy biến áp hạ điện áp AC xuống mức thấp hơn và phù hợp cho sử dụng trong gia đình. Điện áp đã được hạ này sau đó được chỉnh lưu thành DC và lọc để loại bỏ các gợn sóng điện áp.

Máy biến áp hạ điện áp AC xuống mức thấp hơn, phù hợp cho sử dụng trong gia đình. Điện áp đã được hạ này sau đó được chỉnh lưu thành DC và lọc để loại bỏ gợn sóng điện áp.

Hình ảnh phía trên minh họa cấu trúc của hệ thống và sự thay đổi của điện áp đầu ra qua từng giai đoạn. Máy biến áp hạ điện áp nguồn chính từ 230V.

Điện áp đầu ra của máy biến áp được xác định bởi tỷ số số vòng dây giữa cuộn sơ cấp và cuộn thứ cấp, tính theo công thức Vs/Vp = Ns/Np. Hoạt động của máy biến áp dựa trên nguyên lý cảm ứng điện từ. Dòng điện xoay chiều chạy trong cuộn sơ cấp tạo ra từ thông, được lõi từ khuếch đại, từ đó cảm ứng dòng điện xoay chiều trong cuộn thứ cấp. Dạng sóng điện áp được giữ nguyên, nhưng biên độ giảm tương ứng với tỷ số vòng dây.

Điện áp đã được hạ này sau đó được đưa qua mạch chỉnh lưu để loại bỏ các nửa chu kỳ âm của dạng sóng. Có hai loại mạch chỉnh lưu: chỉnh lưu nửa chu kỳ (half-wave) và chỉnh lưu toàn chu kỳ (full-wave).

Mạch chỉnh lưu nửa chu kỳ (half-wave rectifier) sử dụng hai diode để loại bỏ nửa chu kỳ âm bằng cách chặn dòng điện theo chiều đó. Mạch chỉ dẫn dòng theo chiều dương, tạo ra dạng sóng DC đập mạch, trong đó giá trị bằng 0 ở nửa chu kỳ âm.

Ngược lại, mạch chỉnh lưu toàn chu kỳ (full-wave rectifier) sẽ chuyển đổi các nửa chu kỳ âm thành dương. Nó định hướng lại dòng điện của nửa chu kỳ âm để dòng này đi qua tải cùng chiều với dòng của nửa chu kỳ dương.

 

Sau quá trình chỉnh lưu, điện áp được làm phẳng (lọc) để loại bỏ gợn sóng và tiệm cận dạng DC. Dạng sóng đã được làm phẳng này tiếp tục được ổn áp nhằm duy trì mức điện áp đầu ra không đổi, bất chấp sự thay đổi của điện áp đầu vào.

Ứng dụng điển hình: Các thiết bị âm thanh, dụng cụ phòng thí nghiệm và thiết bị analog nhạy cảm được hưởng lợi từ nhiễu điện thấp của nguồn tuyến tính. Mặc dù kém hiệu quả và cồng kềnh hơn so với nguồn chuyển mạch, nguồn tuyến tính vẫn được ưa chuộng trong những trường hợp cần điện áp DC chính xác và ít nhiễu.

Nguồn AC–DC không biến áp kiểu tụ (Capacitive Transformerless Power Supply)

Nguồn kiểu tụ, còn gọi là capacitive dropper, sử dụng trở kháng dung của tụ điện để giảm điện áp AC lưới. Do yêu cầu chịu điện áp cao và cần giá trị điện dung lớn để đạt được dòng đầu ra mong muốn, loại nguồn này chỉ phù hợp cho các ứng dụng công suất thấp.

Điện dung cần thiết sẽ tăng theo dòng tải; các tụ AC có điện dung lớn thường cồng kềnh và đắt tiền. Một nguồn kiểu tụ điển hình thường bao gồm mạch chỉnh lưu và mạch lọc để tạo ra dòng điện DC từ điện áp AC đã được giảm.

Loại nguồn này sử dụng tụ điện (C1) với trở kháng dung để hạn chế dòng điện đi qua cầu chỉnh lưu (D1). Điện trở nối tiếp (R1) kết hợp với tụ C1 có tác dụng ngăn xung điện áp trong quá trình đóng/ngắt. Tụ điện phân (C2) dùng để làm phẳng điện áp DC và chịu các dòng chuyển mạch.

Hình vẽ cho thấy mạch ổn áp được tạo bởi điện trở (R3) và bộ ổn áp shunt (diode Zener, IC1). Nếu không yêu cầu ổn định điện áp chính xác, diode Zener có thể được sử dụng làm phần tử ổn áp. Hai linh kiện hai đầu cực (R5 và R4) được dùng làm mạch chia điện áp trong sơ đồ trên.

Phù hợp nhất cho: Các thiết bị nhỏ gọn, dòng thấp như đèn LED báo trạng thái, mô-đun cảm biến nhỏ hoặc đèn ngủ, cần nguồn DC công suất rất thấp lấy trực tiếp từ điện lưới. Không khuyến nghị cho các thiết bị công suất cao hoặc ứng dụng đòi hỏi an toàn cao do không có cách ly điện (galvanic isolation).

Adapter AC–DC gắn tường (AC DC Wall Adaptors)

Adapter AC–DC gắn tường, còn gọi là wall wart hoặc biến áp cắm tường, có chức năng chuyển đổi 120Vac (hoặc 220Vac) sang điện áp DC thấp hơn. Chúng được sử dụng rộng rãi cho thiết bị điện tử trong gia đình và doanh nghiệp, và là một trong những dạng nguồn AC–DC ngoài phổ biến nhất.

Ứng dụng điển hình: Bộ sạc điện thoại di động, router, thiết bị tự động hóa gia đình và thiết bị y tế. Adapter gắn tường có thể được lựa chọn dựa trên điện áp, dòng điện, loại đầu nối, tiêu chuẩn hiệu suất năng lượng và yêu cầu chứng nhận.

Wall wart và hộp đấu nối (junction box) có thể được phân loại như sau:

Adapter cắm tường: Nguồn chuyển mạch (Switch-Mode Power Supplies)

Các adapter AC–DC dạng cắm tường này không cần hệ thống làm mát bên trong, cho phép thiết kế nhỏ gọn và nhẹ hơn, đồng thời giảm nhiệt ảnh hưởng đến các mạch nhạy cảm. Chúng cung cấp điện áp đầu ra thấp và an toàn cho thiết bị. Các adapter chuyển mạch hiện đại được thiết kế hiệu suất cao, tiêu thụ điện chờ thấp, đáp ứng các tiêu chuẩn và chứng nhận an toàn quốc tế như UL, CE, FCC.

Nguồn cắm tường có đầu vào thay thế (Interchangeable Input Wall Plug-in Power Supplies)

Các adapter linh hoạt này có 4 kiểu phích cắm thay thế dùng cho Vương quốc Anh, Liên minh châu Âu, Bắc Mỹ và Úc. Chúng hoạt động với điện áp đầu vào 100–240V và cung cấp công suất 24W ở dải 5–24 VDC. Tính linh hoạt này khiến chúng phù hợp cho phân phối sản phẩm toàn cầu.

Hộp đấu nối nguồn JSU Series (Power Supply Junction Box)

Các hộp đấu nối này được thiết kế để đấu cứng (hard-wiring) cho thiết bị điện tử cố định, giúp giảm rối dây và hạn chế tuột kết nối ngoài ý muốn. Thường có các mẫu 24VDC/0.75A và 12VDC/1.5A. Hộp đấu nối phù hợp cho tự động hóa công nghiệp, hệ HVAC và tủ điều khiển, nơi yêu cầu cấp nguồn ổn định lâu dài.

Nguồn cắm tường AC đạt chuẩn Level VI

Các bộ nguồn này đáp ứng chuẩn hiệu suất Level VI của Bộ Năng lượng Hoa Kỳ, tiêu thụ ít hơn khoảng 25% điện năng so với các mẫu 60 Hz trước đây. Chúng lý tưởng cho hệ thống lưu điện (backup), khóa an ninh, HVAC, chiếu sáng và điều khiển camera, nơi hiệu suất ở chế độ chờ và tuân thủ quy định là yếu tố then chốt.

Nguồn cắm tường DC & AC cho công nghiệp và thương mại

Được thiết kế cho môi trường công nghiệp và thương mại, các adapter này có sẵn phiên bản không ổn áp ở 60 Hz. Do có nhiều danh mục phê duyệt, chúng thường yêu cầu chứng nhận của các cơ quan. Ngoài ra, có thể tùy biến theo điện áp, dòng điện, đầu nối và yêu cầu an toàn riêng cho OEM và nhà tích hợp hệ thống.

Cách chọn nguồn AC–DC phù hợp?

Việc lựa chọn nguồn AC–DC tối ưu phụ thuộc vào nhiều yếu tố quan trọng, bao gồm điện áp và dòng đầu ra, hiệu suất, kiểu dáng (khung hở, có vỏ, gắn rack), chứng nhận (UL, CE, RoHS), chất lượng nguồn (độ ổn áp, gợn sóng, nhiễu), và điều kiện môi trường vận hành.

Với y tế và công nghiệp, ưu tiên nguồn đáp ứng tiêu chuẩn an toàn IEC và EMC.

Với điện tử tiêu dùng hoặc IoT, ưu tiên nhỏ gọn, tiết kiệm năng lượng và đầu vào dải rộng (universal input).

Việc xem kỹ datasheet, application note và tài liệu tham chiếu của nhà sản xuất sẽ giúp định hướng mua sắm chính xác, đảm bảo cấp nguồn tin cậy cho dự án hoặc thiết bị của bạn.

Adapter AC/DC gắn tường là gì và chúng thường được dùng để làm gì?

Adapter AC/DC gắn tường: Giải pháp cấp nguồn thiết yếu cho thiết bị điện tử hiện đại

Adapter AC/DC gắn tường, còn được gọi là wall wart, biến áp cắm tường hoặc adapter AC sang DC, là các thiết bị điện được thiết kế để chuyển đổi điện áp xoay chiều (AC) tiêu chuẩn của gia đình—thường là 120V AC hoặc 220V AC—thành điện áp một chiều (DC) thấp hơn và an toàn hơn, phù hợp cho các thiết bị điện tử. Nhờ kích thước nhỏ gọn và tính linh hoạt cao, adapter AC/DC gắn tường được sử dụng rộng rãi để cấp nguồn cho điện tử tiêu dùng, thiết bị văn phòng, hệ thống an ninh và tự động hóa công nghiệp, trong cả môi trường dân dụng lẫn thương mại. Việc chuyển đổi điện áp ổn định giúp bảo vệ mạch nhạy cảm và đảm bảo hiệu suất thiết bị tối ưu.

Wall wart và hộp đấu nối nguồn (junction box) có thể được phân loại như sau, mỗi loại phù hợp với những nhu cầu cấp nguồn khác nhau:

Adapter cắm tường: Nguồn chuyển mạch (Switch-Mode Power Supplies)

Adapter cắm tường sử dụng công nghệ nguồn chuyển mạch (SMPS) giúp loại bỏ nhu cầu hệ thống làm mát cồng kềnh thường thấy ở các nguồn truyền thống. Các adapter SMPS nhẹ và nhỏ gọn, chuyển đổi AC sang DC ổn định với tỏa nhiệt thấp. Thiết kế này không chỉ nâng cao hiệu suất năng lượng mà còn cung cấp điện áp đầu ra thấp và an toàn cho thiết bị phía sau—rất phù hợp cho sạc điện thoại thông minh, máy tính bảng, thiết bị IoT và đồ điện tử di động, nơi quản lý nhiệt và kích thước là yếu tố quan trọng.

Nguồn cắm tường có đầu vào thay thế (Interchangeable Input Wall Plug-in Power Supplies)

Các adapter AC/DC có đầu vào thay thế mang lại tính linh hoạt vượt trội, cho phép tương thích quốc tế với 4 loại phích cắm tháo rời dùng cho Anh, Liên minh châu Âu, Bắc Mỹ và Úc. Chúng hỗ trợ dải điện áp đầu vào rộng 100–240V AC, phù hợp sử dụng toàn cầu. Với điện áp đầu ra chọn được từ 5V đến 24V DC và công suất tối đa 24W, đây là lựa chọn lý tưởng cho thiết bị điện tử toàn cầu, thiết bị y tế hoặc thiết bị thử nghiệm cần giải pháp cấp nguồn đa khu vực, linh hoạt.

Hộp đấu nối nguồn JSU Series (JSU Series Power Supply Junction Box)

Hộp đấu nối nguồn JSU Series được thiết kế để đấu cứng an toàn cho các hệ thống điện tử cố định như camera an ninh, cảm biến công nghiệp và thiết bị tự động hóa tòa nhà. Các hộp này giúp loại bỏ rối dây và ngăn việc rút phích ngoài ý muốn, cung cấp kết nối nguồn cố định, tin cậy. Các mẫu tiêu chuẩn có đầu ra 24VDC/0.75A và 12VDC/1.5A, phù hợp cho nhiều hệ thống chuyên nghiệp và thương mại cần nguồn DC chất lượng cao, ổn định.

Nguồn cắm tường AC đạt chuẩn hiệu suất Level VI

Các nguồn AC đạt chuẩn hiệu suất Level VI đại diện cho bước tiến mới nhất về tiết kiệm năng lượng, theo quy định của Bộ Năng lượng Hoa Kỳ. Những bộ nguồn này tiêu thụ ít hơn tới 25% điện năng so với các nguồn tuyến tính 60 Hz trước đây, giúp giảm mạnh công suất chờ và không tải. Ứng dụng điển hình gồm UPS, hệ thống pin dự phòng, thiết bị nhà thông minh, khóa an ninh, kiểm soát ra vào, hệ HVAC, chiếu sáng LED và hệ camera giám sát. Lựa chọn adapter đạt Level VI giúp tuân thủ quy định năng lượng và giảm chi phí vận hành cho cả doanh nghiệp và hộ gia đình.

Nguồn cắm tường DC & AC cho công nghiệp và thương mại

Các nguồn cắm tường DC và AC cho môi trường công nghiệp và thương mại được thiết kế để hoạt động ổn định trong điều kiện khắc nghiệt. Chúng thường hoạt động ở tần số 60 Hz, có phiên bản ổn áp hoặc không ổn áp, kết cấu bền bỉ, và đáp ứng các phê duyệt của cơ quan quản lý như UL, CE, FCC. Các adapter cấp công nghiệp phù hợp cho máy móc, tủ điều khiển, truyền thông dữ liệu, tự động hóa quy trình và hệ thống quản lý cơ sở hạ tầng quy mô lớn, nơi độ tin cậy, an toàn và tuân thủ tiêu chuẩn là yếu tố then chốt.

Nguồn cắm AC/DC: Tính linh hoạt cho mọi ứng dụng

Nguồn AC/DC dạng cắm và adapter gắn tường có cùng mục đích cơ bản—cấp nguồn DC an toàn, ổn định từ ổ cắm điện—nhưng có thể khác nhau về hình thức và chức năng. Adapter gắn tường thường được thiết kế cho lắp đặt cố định, với điện áp và dòng đầu ra cố định, phù hợp cho thiết bị công suất thấp như bộ sạc điện thoại, router Wi-Fi, driver LED. Ngược lại, nhiều nguồn cắm AC/DC hiện đại cho phép điều chỉnh điện áp và dòng, đi kèm nhiều đầu nối để tương thích với nhiều loại thiết bị điện tử.

Có mặt ở nhiều kiểu dáng—từ adapter du lịch siêu nhỏ đến nguồn công nghiệp công suất cao—nguồn cắm đáp ứng từ laptop, ổ cứng ngoài, thiết bị mạng, máy chơi game cho đến thiết bị phòng thí nghiệm, bàn test và thiết bị chuyên dụng hiệu suất cao. Thiết kế bền bỉ và khả năng cấp công suất chính xác khiến chúng trở thành nền tảng cho cả điện tử gia dụng hằng ngày lẫn quy trình công nghiệp quan trọng.

Ngoài việc sạc thiết bị di động, adapter AC/DC hiện đại còn được dùng để cấp nguồn cho thiết bị nhà thông minh, bộ mở rộng Wi-Fi, thermostat thông minh, thiết bị nhỏ, đèn LED dây, bộ điều khiển công nghiệp và pin dự phòng. Ở những khu vực có nguồn điện lưới không ổn định, adapter hiệu suất cao giúp bảo vệ thiết bị khỏi dao động điện áp và giảm chi phí điện, đặc biệt khi kết hợp với chống sét hoặc hệ quản lý pin.

Cách chọn adapter AC/DC phù hợp

Khi lựa chọn adapter AC/DC, cần cân nhắc kỹ các yếu tố như tương thích (điện áp & dòng đầu ra), kích thước đầu nối (cực tính, loại phích), chuẩn hiệu suất (Energy Star, Level VI), độ tin cậy, tính di động (cho nhu cầu du lịch) và vỏ bền (cho môi trường công nghiệp). Điện áp hoặc đầu nối không phù hợp có thể gây hư hỏng thiết bị, vì vậy luôn xác nhận yêu cầu kỹ thuật trước khi kết nối. Với thiết bị có yêu cầu đặc thù, adapter đa năng với đầu nối thay thế giúp đơn giản hóa quản lý và giảm số lượng adapter cần dùng.

Bảo trì đúng cách sẽ kéo dài tuổi thọ adapter AC/DC và đảm bảo an toàn điện. Hãy kiểm tra định kỳ dây, đầu nối và adapter để phát hiện sờn, nứt, quá nhiệt hoặc lỏng lẻo; thay thế ngay khi có hư hỏng để tránh nguy hiểm. Không quá tải adapter vượt quá công suất định mức và tái chế đúng cách các thiết bị cũ theo chương trình xử lý rác thải điện tử. Tuân thủ các thực hành này sẽ giúp nguồn hoạt động hiệu quả và bảo vệ thiết bị khỏi sự cố liên quan đến điện.

Câu hỏi thường gặp

Sự khác biệt giữa nguồn ổn áp và không ổn áp là gì?
Nguồn ổn áp duy trì điện áp đầu ra không đổi dù đầu vào hoặc tải thay đổi; nguồn không ổn áp cho phép điện áp đầu ra dao động, chỉ phù hợp khi không cần độ chính xác cao.

Nguồn chuyển mạch và nguồn tuyến tính khác nhau như thế nào?
Nguồn chuyển mạch dùng chuyển mạch tần số cao, hiệu suất cao và nhỏ gọn; nguồn tuyến tính đơn giản, nhiễu thấp nhưng cồng kềnh và kém hiệu quả hơn.

Adapter AC/DC gắn tường thường dùng để làm gì?
Để chuyển AC gia dụng sang DC thấp cho bộ sạc, router, thiết bị nhà thông minh, an ninh và y tế trong môi trường dân dụng, thương mại và công nghiệp.

Những yếu tố nào cần xem xét khi chọn nguồn AC–DC?
Dải điện áp đầu vào, điện áp/dòng đầu ra, chất lượng ổn áp, kích thước, làm mát/vỏ, khả năng chịu nhiệt, tiêu chuẩn tuân thủ và điều kiện môi trường.

Loại nguồn nào phù hợp cho công nghiệp và thương mại?
Các adapter cắm tường bền bỉ, có phê duyệt cơ quan, sẵn phiên bản ổn áp/không ổn áp, đáp ứng an toàn và độ tin cậy cho máy móc và tự động hóa.

Adapter cắm tường có đầu vào thay thế giúp gì cho sử dụng quốc tế?
Cho phép tháo lắp phích theo khu vực, hỗ trợ 100–240V AC và đầu ra DC linh hoạt, rất phù hợp cho phân phối toàn cầu và du lịch.

Các ứng dụng chính của nguồn AC–DC là gì?

Chương này sẽ trình bày các ứng dụng và lợi ích của nguồn AC–DC.

Ứng dụng của nguồn AC–DC

Nguồn chuyển mạch (SMPS) trong các thiết bị gia dụng như máy tính thường có đầu vào dải rộng (universal input), cho phép hoạt động với điện lưới trên toàn thế giới. Tuy nhiên, trong một số trường hợp vẫn cần công tắc chỉnh tay để chọn dải điện áp. SMPS có thể xử lý dải điện áp và tần số rất rộng.

Bộ sạc điện thoại di động, do sản lượng lớn, thường nhạy cảm về chi phí. Trước đây, nguồn tuyến tính được sử dụng, nhưng hiện nay đã chuyển sang nguồn chuyển mạch hiệu suất cao như ringing choke converter. Xu hướng gần đây hướng tới giảm công suất không tải, khiến topology flyback trở nên phổ biến; đồng thời bộ điều khiển sensing phía sơ cấp giúp giảm chi phí vật liệu bằng cách loại bỏ các linh kiện phía thứ cấp như optocoupler.

Nguồn chuyển mạch còn được dùng cho chuyển đổi DC/DC. Ví dụ trong phương tiện giao thông, xe tải nặng dùng hệ 24V có thể sử dụng bộ DC/DC để cung cấp 12V cho các phụ tải, giúp phân bổ đều tải trên các cell ắc quy 24V. Trong môi trường công nghiệp như viễn thông, nguồn có thể được phân phối ở mức DC thấp từ hệ thống dự phòng, và DC/DC sẽ cung cấp các mức điện áp cần thiết.

Nguồn chuyển mạch cũng thường được dùng làm nguồn điện áp thấp cho chiếu sáng, đôi khi được gọi là “biến áp điện tử”.

Nguồn tuyến tính thường được dùng khi chi phí là yếu tố chính và hiệu suất không quá quan trọng. Chúng được đánh giá cao nhờ thiết kế đơn giản và ít linh kiện hơn so với SMPS. Nguồn kiểu tụ (capacitive) được sử dụng trong ứng dụng công suất thấp như đèn LED và các dự án DIY nhỏ nhờ sự đơn giản.

Lợi ích của nguồn AC–DC

Nguồn không ổn áp

Nguồn không ổn áp được ưa chuộng nhờ cấu trúc đơn giản và chi phí thấp, phù hợp cho các ứng dụng không yêu cầu điện áp chính xác. Thông thường, nguồn tuyến tính có thể có tầng đầu không ổn áp, theo sau là mạch ổn áp.

Nguồn chuyển mạch (SMPS)

Ưu điểm chính của SMPS là hiệu suất cao, có thể lên tới 96%, vượt trội so với bộ ổn áp tuyến tính vì transistor chuyển mạch tỏa rất ít nhiệt khi làm việc ở chế độ đóng/cắt.

Các lợi ích khác gồm kích thước nhỏ gọn, trọng lượng nhẹ và nhiễu thấp, nhờ loại bỏ biến áp tần số lưới cỡ lớn và giảm sinh nhiệt. Tổn hao ở chế độ chờ thường thấp hơn đáng kể so với biến áp truyền thống. Ngoài ra, biến áp trong SMPS nhỏ gọn hơn biến áp 50/60 Hz và cần ít vật liệu đắt tiền (như đồng) hơn.

Nguồn tuyến tính

Nguồn tuyến tính có chi phí tương đối thấp và thiết kế đơn giản, nổi tiếng với độ tin cậy và nhiễu thấp, giúp dễ sản xuất. Ít linh kiện dẫn đến thiết kế gọn và chi phí chế tạo thấp—những đặc điểm khiến chúng được nhiều kỹ sư ưa chuộng.

Theo các nguyên tắc điện–cơ, ít linh kiện hơn thường đồng nghĩa ít điểm lỗi tiềm ẩn, góp phần tăng độ tin cậy—một lợi ích lớn của nguồn tuyến tính.

Nguồn kiểu tụ

Nguồn kiểu tụ có ưu điểm đơn giản và giá rẻ, là loại AC–DC đơn giản và rẻ nhất để sản xuất.

Hạn chế của nguồn AC–DC

Nguồn không ổn áp

Nhạy cảm với biến động điện áp lưới, ảnh hưởng đến điện áp đầu ra. Thay đổi dòng tải cũng gây dao động điện áp do trở kháng nội tại của linh kiện.

Nguồn chuyển mạch (SMPS)

Nhược điểm gồm độ phức tạp và năng lượng tần số cao, biên độ lớn phát sinh, đòi hỏi bộ lọc thông thấp để giảm EMI, quản lý hài và giảm gợn sóng tại tần số chuyển mạch.

SMPS giá rẻ có thể đưa nhiễu chuyển mạch ngược về lưới, gây nhiễu cho thiết bị cùng pha (như hệ A/V). Ngoài ra, SMPS không có PFC có thể gây méo hài.

Nguồn tuyến tính

Nguồn tuyến tính tỏa nhiệt lớn và hiệu suất thấp, gây tổn hao năng lượng. Ở công suất cao, nhược điểm lớn là kích thước và khối lượng do biến áp lớn và các linh kiện cồng kềnh. Thiết kế còn cần tản nhiệt để xử lý ứng suất nhiệt do dòng cao và tổn hao lớn khi điều chỉnh tải.

Hiệu suất là mối quan tâm lớn: hiệu suất thấp tạo chênh lệch lớn giữa điện áp vào và ra, ảnh hưởng đến tính phù hợp thiết kế. Ngoài hiệu suất, cần cân nhắc điện áp dropout và điện áp tải. Khi chọn nguồn, phải đánh giá tổng thể các yếu tố như hiệu suất, chi phí và kích thước.

Nguồn kiểu tụ

Không có cách ly điện giữa đầu vào và đầu ra. Do đó, cần cách điện thiết bị sử dụng nguồn này rất cẩn thận để tránh nguy cơ điện giật.

So sánh các loại nguồn

Nguồn tuyến tính vs. SMPS

Hai loại khác nhau ở cách chuyển đổi AC lưới sang DC. SMPS dùng transistor công suất tạo điện áp tần số cao qua biến áp nhỏ, rồi lọc để loại nhiễu AC. Nguồn tuyến tính dùng biến áp hạ áp trước, sau đó lọc.

SMPS nhẹ hơn, nhỏ gọn hơn, hiệu quả hơn, có dải điện áp vào rộng và độ bền cao. Nguồn tuyến tính to, nặng và kém hiệu quả hơn.

Nguồn tuyến tính thường ~60% hiệu suất, trong khi SMPS đạt 80% trở lên.

Nguồn tuyến tính có lịch sử sử dụng lâu dài, nhưng đi kèm đánh đổi. Lựa chọn cuối cùng phụ thuộc vào nhu cầu và yêu cầu cụ thể của ứng dụng.

Kết luận

AC và DC có thể hoán đổi để phù hợp với đầu vào yêu cầu của thiết bị. Việc chọn nguồn phù hợp cần xem xét điện áp, dòng, công suất, cũng như môi trường vận hành. Mạch đơn giản có thể đáp ứng công suất yêu cầu nhưng tổn hao lớn và tỏa nhiệt nhiều. Giải pháp tốt và hiệu quả hơn thường phức tạp hơn và chi phí linh kiện cao hơn. Trong công nghiệp quy mô lớn, nguồn AC thường được ưa chuộng để cấp tải nặng, nhờ hiệu quả cao và tổn hao thấp.